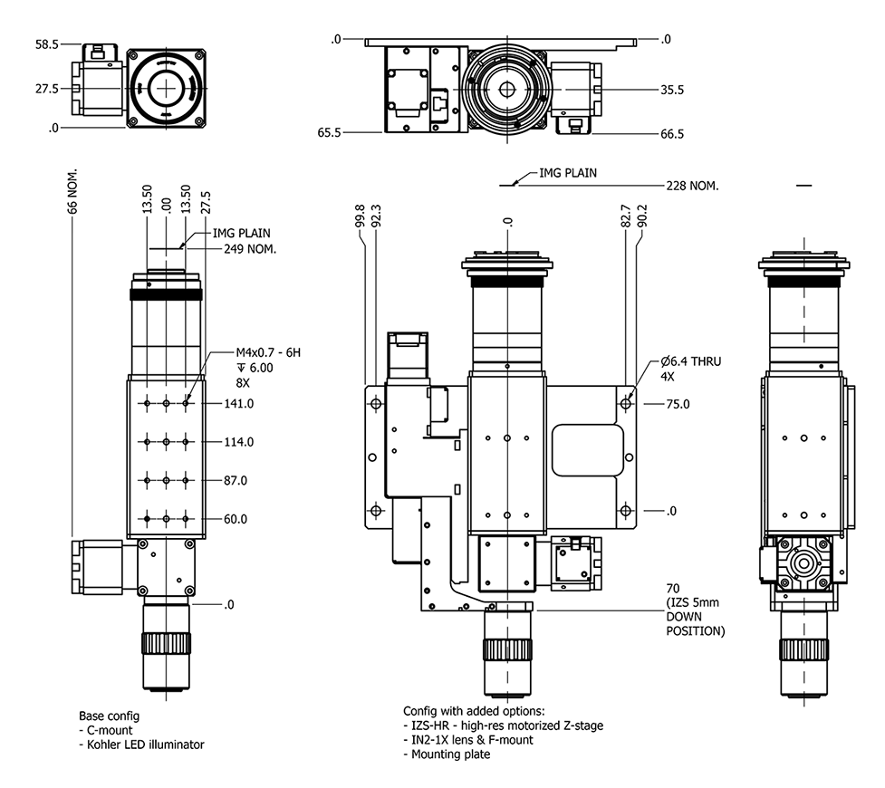
MGS Microscope

Minimum weight with maximum performance

  • Optimized optical path that further improves the performance
  • Standard version with 22mm FOV 1X tube lens and possible upgrade to 30mm FOV
  • SCI-One Köhler illuminator

OPTIONAL:

  • IZS-HR motorized objective lens z stage
  • Laser auto focus integration
  • Mounting base with optical breadboard hole pattern (metric)
Please inquire about possible customization options

Request a quote